सम्भावित ट्रान्सफर्मर PT
33kv उच्च भोल्टेज एकल चरण सम्भावित ट्रान्सफर्मर
  • 33kv उच्च भोल्टेज एकल चरण सम्भावित ट्रान्सफर्मर33kv उच्च भोल्टेज एकल चरण सम्भावित ट्रान्सफर्मर

33kv उच्च भोल्टेज एकल चरण सम्भावित ट्रान्सफर्मर

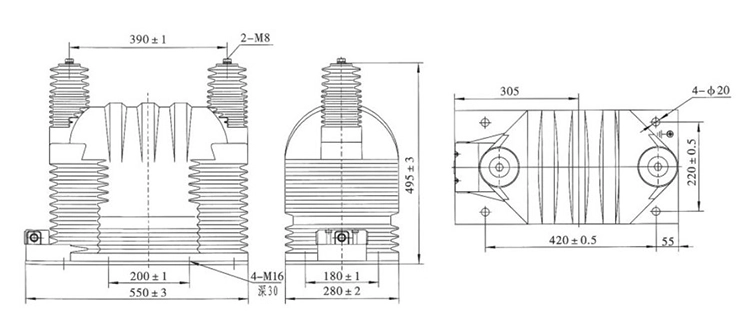
Wenzhou XiFa इलेक्ट्रिक पावर उपकरण कं, लिमिटेड 33kv उच्च भोल्टेज एकल चरण सम्भावित ट्रान्सफर्मर र वर्तमान ट्रान्सफर्मर उत्पादन गर्न एक अनुभवी निर्माण हो। Wenzhou XiFa ले इन्सुलेशनमा राम्रो प्रदर्शन प्राप्त गर्न उच्च गुणस्तरको राल प्रयोग गर्दछ, जस्तै ब्रेकडाउन वा आंशिक डिस्चार्ज बिना उच्च भोल्टेज अन्तर्गत दीर्घकालीन सञ्चालन। प्रत्येक 33kv उच्च भोल्टेज सिंगल फेज सम्भावित ट्रान्सफर्मरलाई 20 वा 30 वर्षसम्म लामो सेवा जीवन प्राप्त गर्न भ्याकुम परिस्थितिमा इपोक्सी रेजिन कास्ट गर्न आवश्यक छ। डेलिभरी अघि, आधारभूत प्राविधिक विवरणहरू मापन गर्न आवश्यक छ जस्तै पावर फ्रिक्वेन्सी प्रतिरोध भोल्टेज, आंशिक डिस्चार्ज, इन्सुलेशन प्रतिरोध, शुद्धता, ध्रुवता, र तापमान वृद्धि।

उत्पादन सुविधाहरू:

1. संरचनात्मक रूपमा, एक 33kv उच्च भोल्टेज एकल चरण सम्भावित ट्रान्सफर्मरलाई सानो क्षमता र उच्च अनुपात स्टेप डाउन पावर ट्रान्सफर्मरको रूपमा मान्न सकिन्छ। यद्यपि, पावर ट्रान्सफर्मरको विपरीत, कसम्भावित ट्रान्सफर्मरलोड आपूर्तिको लागि ऊर्जा स्थानान्तरण गर्दैन। यसको सट्टा, यसले मापन र सुरक्षामा महत्त्वपूर्ण भूमिका खेल्छ।

2. माध्यमिक सर्किट मापन उपकरणहरू, सुरक्षात्मक रिलेहरू, र स्वचालित यन्त्रहरूसँग जोडिएको छ जसको भोल्टेज कोइलहरूले अत्यन्त उच्च र अनिवार्य रूपमा स्थिर प्रतिबाधा प्रस्तुत गर्दछ। नतिजाको रूपमा, माध्यमिक प्रवाह न्यूनतम छ, पावर ट्रान्सफर्मरको लोड नहुने अवस्था जस्तै। 33kv उच्च भोल्टेज एकल चरण सम्भावित ट्रान्सफर्मरको पावर खपत अत्यन्त कम छ, र माध्यमिक भोल्टेज व्यावहारिक रूपमा प्रेरित EMF बराबर रहन्छ, जुन स्थिर प्राथमिक भोल्टेज द्वारा निर्धारण गरिन्छ। यसले भोल्टेज मापनको लागि आवश्यक शुद्धता स्तर सुनिश्चित गर्दछ।

3. सम्भावित ट्रान्सफर्मरहरूको माध्यमिक घुमाउरो कहिल्यै सर्ट सर्किट हुनु हुँदैन। सामान्य सञ्चालन अन्तर्गत, 33kv उच्च भोल्टेज एकल फेज सम्भावित ट्रान्सफर्मरको लोड एक उच्च प्रतिबाधा यन्त्र हो, तर यदि एक सर्ट सर्किट भयो भने, एक मात्र सीमित कारक घुमावको प्रतिबाधा हो। यसले अत्यधिक उच्च सर्ट सर्किट करेन्ट निम्त्याउन सक्छ, गलत मिटर रिडिङ, गलत रिले सञ्चालन, वा पावर ट्रान्सफर्मरमा स्थायी क्षति निम्त्याउन सक्छ।

4. दुबै माध्यमिक घुमाउरो र शून्य अनुक्रम घुमाउरो टर्मिनल ग्राउन्ड गरिएको हुनुपर्छ। यदि ग्राउन्डिङ छैन भने, प्राथमिक प्रणालीमा त्रुटिले यी विन्डिङहरूमा खतरनाक रूपमा उच्च भोल्टेजहरू उत्पन्न गर्न सक्छ, जसले जडान गरिएका उपकरणहरू, रिलेहरू, र कर्मचारीहरूको सुरक्षामा गम्भीर जोखिमहरू निम्त्याउँछ।

33kv High Voltage Single Phase Potential Transformer

प्राविधिक विशिष्टता:

टाइप गर्नुहोस् मूल्याङ्कन भोल्टेज अनुपात (kV) शुद्धता वर्ग शुद्धता वर्ग र रेटेड आउटपुट cosΦ=0.8 अधिकतम। आउटपुट (VA)
0.2 0.5 1 3
JDZ9-35Q ३५/०.१ ०.२ ०.५ १ ३ 30 120 240 600 1200
३५/०.१/०.१ ०.२/०.२(०.५) 30 30 N/A N/A 600
०.५/०.५ N/A 60

33kv High Voltage Single Phase Potential Transformer

उत्पादन FAQ:

प्रश्न: ३३ केभी उच्च भोल्टेज सिंगल फेज सम्भावित ट्रान्सफर्मरको मूल्याङ्कन गरिएको बोझ के हो?

A: मूल्याङ्कन गरिएको बोझ सामान्यतया 25 VA देखि 200 VA सम्म आवेदनको आधारमा हुन्छ। यसले ट्रान्सफर्मरलाई ओभरलोड नगरी उपकरणहरू र सुरक्षा रिलेहरू मापन गर्नको लागि स्थिर शुद्धता सुनिश्चित गर्दछ।


Q: 33kv उच्च भोल्टेज एकल चरण सम्भावित ट्रान्सफर्मर कसरी ग्राउन्ड गरिएको छ?

A: माध्यमिक घुमाउरो सामान्यतया सन्दर्भ क्षमता कायम राख्न र सुरक्षा सुनिश्चित गर्न एक बिन्दुमा ग्राउन्ड गरिएको छ। यसले फ्लोटिंग भोल्टेजहरूबाट बच्न र इन्सुलेशन विफलताको जोखिम कम गर्न मद्दत गर्दछ।


Q: के एकल चरण PT तीन चरण मापनको लागि जडान गर्न सकिन्छ?

A: अवश्य। तीन चरण प्रणालीको लागि, तीन एकल चरण PT तारा वा खुला डेल्टा व्यवस्थामा जडान गर्न सकिन्छ, जुन पूर्ण चरणबाट चरण र चरणदेखि ग्राउन्ड भोल्टेजहरू अनुगमन गर्न आवश्यक छ वा छैन भन्नेमा निर्भर गर्दछ।




हट ट्यागहरू: 33kv उच्च भोल्टेज एकल चरण सम्भावित ट्रान्सफर्मर आपूर्तिकर्ता, उच्च भोल्टेज एकल चरण ट्रान्सफर्मर थोक, औद्योगिक सम्भावित ट्रान्सफर्मर निर्माता
सोधपुछ पठाउनुहोस्
सम्पर्क जानकारी
  • ठेगाना

    नम्बर 391, Jingqi रोड, Yanpan औद्योगिक क्षेत्र, Yueqing शहर, Zhejiang प्रान्त, चीन

  • टेलिफोन

    +86-577-62731111

  • इ-मेल

    info@xifaele.com

तपाईंको उद्धरण ASAP प्राप्त गर्न

XiFa-तपाईंको भरपर्दो विद्युतीय उपकरण आपूर्तिकर्ता
X
हामी तपाईंलाई राम्रो ब्राउजिङ अनुभव प्रदान गर्न, साइट ट्राफिक विश्लेषण र सामग्री निजीकृत गर्न कुकीहरू प्रयोग गर्छौं। यो साइट प्रयोग गरेर, तपाईं कुकीहरूको हाम्रो प्रयोगमा सहमत हुनुहुन्छ। गोपनीयता नीति
अस्वीकार गर्नुहोस् स्वीकार गर्नुहोस्