सम्भावित ट्रान्सफर्मर PT
25 Kv उपकरण विद्युत चुम्बकीय Pt सम्भावित ट्रान्सफर्मर
  • 25 Kv उपकरण विद्युत चुम्बकीय Pt सम्भावित ट्रान्सफर्मर25 Kv उपकरण विद्युत चुम्बकीय Pt सम्भावित ट्रान्सफर्मर

25 Kv उपकरण विद्युत चुम्बकीय Pt सम्भावित ट्रान्सफर्मर

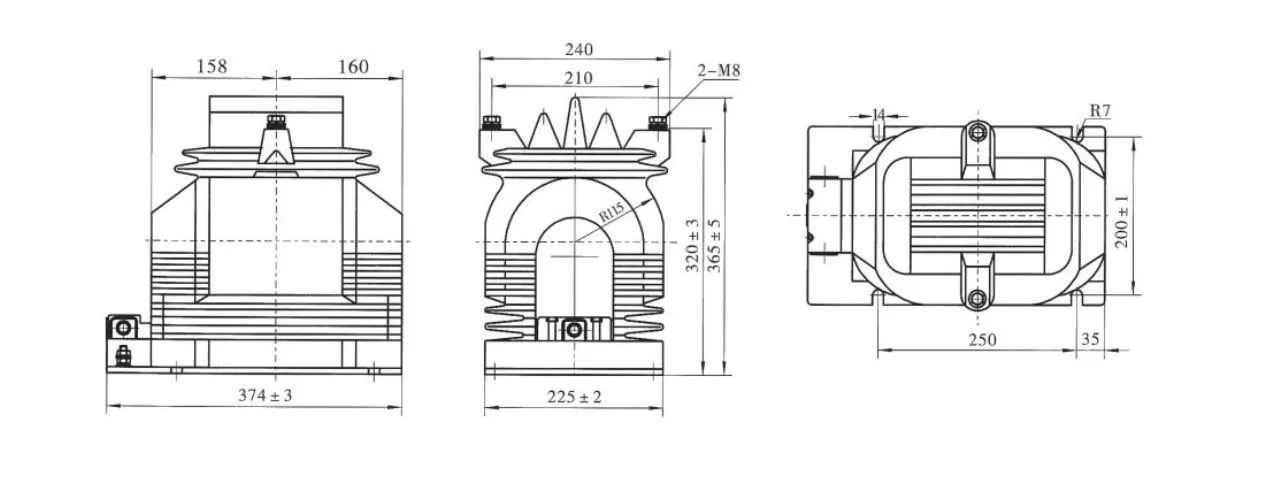
Wenzhou XiFa इलेक्ट्रिक पावर उपकरण कं, लिमिटेड 25 kv उपकरण इलेक्ट्रोम्याग्नेटिक pt सम्भावित ट्रान्सफर्मर जस्ता epoxy राल सम्भावित ट्रान्सफर्मर र वर्तमान ट्रान्सफर्मरहरू उत्पादन गर्न 10 वर्ष भन्दा बढी छ। 25kv सम्भावित ट्रान्सफर्मर उत्तर अमेरिका र केही अमेरिकी देशहरू जस्ता विशिष्ट क्षेत्रीय ग्रिड भोल्टेजहरूको लागि हो। यद्यपि यसलाई 25kv उपकरण इलेक्ट्रोम्याग्नेटिक pt सम्भावित ट्रान्सफर्मर लेबल गरिएको छ, तर मानक 24kv हो। Wenzhou XiFa इलेक्ट्रिक पावर उपकरण कं, लिमिटेड एक लामो सेवा जीवन भएको 25 kv उपकरण इलेक्ट्रोम्याग्नेटिक pt सम्भावित ट्रान्सफर्मर प्राप्त गर्न सटीकता, इन्सुलेशन र मेकानिकल बलमा परिपक्व डिजाइन समाधानहरूको विविधता छ।

खरीद पछि सुझावहरू एसम्भावित ट्रान्सफर्मर:

1. कमिसन गर्नु अघि, 25 kv इन्स्ट्रुमेन्ट इलेक्ट्रोम्याग्नेटिक pt सम्भावित ट्रान्सफर्मरले सान्दर्भिक मापदण्ड र प्रक्रियाहरू अनुसार आवश्यक सबै परीक्षण र निरीक्षणहरूबाट गुज्रनुपर्छ। यी सामान्यतया एसी डाइलेक्ट्रिक परीक्षण, इन्सुलेशन प्रतिरोध परीक्षण, अनुपात परीक्षण, र दृश्य निरीक्षण समावेश गर्दछ।

2.25 kv उपकरणको विद्युत चुम्बकीय pt सम्भावित ट्रान्सफर्मरको उचित तारिङ आवश्यक छ। प्राथमिक घुमाउरो मापन गरिएको सर्किटसँग समानान्तरमा जडान हुनुपर्छ, जबकि माध्यमिक घुमाउरो नाप्ने उपकरणहरू, सुरक्षात्मक रिलेहरू, वा स्वचालित उपकरणहरूको भोल्टेज कुण्डलहरूसँग समानान्तर रूपमा जडान हुनुपर्छ। यसैबीच, सही ध्रुवता कायम राख्न ध्यान दिनु पर्छ।

3. 25 kv सम्भावित ट्रान्सफर्मर माध्यमिकमा जडान गरिएको लोड यसको मूल्याङ्कन क्षमता भित्र हुनुपर्छ। मूल्याङ्कन गरिएको माध्यमिक भार नाघेको मापन त्रुटिहरू सिर्जना गर्न सक्छ, पढाइको शुद्धतालाई पनि असर गर्न सक्छ।

4. 25 kv सम्भावित ट्रान्सफर्मर माध्यमिकलाई सर्ट सर्किट गर्न कडा रूपमा निषेध गरिएको छ। किनभने PT मा धेरै कम आन्तरिक प्रतिबाधा छ, माध्यमिक सर्ट सर्किटले अत्यधिक उच्च प्रवाहहरू उत्पन्न गर्न सक्छ, सम्भावित रूपमा माध्यमिक उपकरणहरूलाई हानि पुर्‍याउँछ र गम्भीर सुरक्षा खतरा उत्पन्न गर्दछ। यस्तो क्षति रोक्नको लागि, फ्यूजहरू PT माध्यमिकमा स्थापना गर्न आवश्यक छ। यदि यो सम्भव छ भने, प्राथमिक वाइन्डिङ वा लिडहरूमा त्रुटिहरू भएमा उच्च भोल्टेज नेटवर्कलाई सुरक्षित गर्न प्राथमिक साइड फ्यूजहरू पनि प्रयोग गरिनुपर्छ।

5. मापन यन्त्र वा रिले ह्यान्डल गर्ने कर्मचारीहरूको सुरक्षाको लागि, PT माध्यमिक घुमाउरो एक बिन्दुमा ग्राउन्ड हुनुपर्छ। ग्राउन्डिङ पछि प्राथमिक र माध्यमिक विन्डिङहरू बीच इन्सुलेशन क्षतिग्रस्त हुँदा उपकरणहरू र रिलेहरूमा देखिने उच्च भोल्टेजबाट व्यक्तिगत सुरक्षालाई रोक्न सक्छ।

6. कुनै पनि परिस्थितिमा PT माध्यमिक सर्किट सर्ट सर्किट हुनु हुँदैन।

25 Kv Instrument Electromagnetic Pt Potential Transformer

प्राविधिक विशिष्टता:

टाइप गर्नुहोस् मूल्याङ्कन भोल्टेज अनुपात (kV) शुद्धता वर्ग शुद्धता वर्ग र रेटेड आउटपुट cosΦ=0.8 अधिकतम। आउटपुट (VA)
0.2 0.5 ३(P)
JDZ11-15 १५/०.१ ०.२ ०.५ १ 30 80 150 600
JDZ11-20 २०/०.१
JDZ11-15 १५/०.१/०.१ ०.२/०.२ ०.२/०.५ ०.५/०.५ 20 30 N/A २*३००
JDZ11-20 २०/०.१/०.१
JDZ11-15 १५/०.१/०.२२ ०.२/३पी ०.५/३पी 30 60 100 500
JDZ11-20 २०/०.१/०.२२

25 Kv Instrument Electromagnetic Pt Potential Transformer

उत्पादन FAQ:

Q: 25 kV विद्युत चुम्बकीय उपकरणको लागि मानक माध्यमिक भोल्टेज मूल्याङ्कन के हो?pt सम्भावित ट्रान्सफर्मर?

A: 25 kV उपकरण इलेक्ट्रोम्याग्नेटिक pt सम्भावित ट्रान्सफर्मरको लागि मानक माध्यमिक भोल्टेज सामान्यतया 110 V हुन्छ। यो मानकीकरणले विद्युतीय शक्ति प्रणाली भित्र सही भोल्टेज मापन र सुरक्षित सञ्चालनको लागि अनुमति दिन, मिटरिङ र सुरक्षा उपकरणहरूसँग अनुकूलता सुनिश्चित गर्दछ।


Q: के 25 kV इन्स्ट्रुमेन्ट इलेक्ट्रोम्याग्नेटिक pt सम्भावित ट्रान्सफर्मरले यसको मूल्याङ्कन भोल्टेजको 115% मा लगातार काम गर्न सक्छ?

A: हो, 25 kV सम्भावित ट्रान्सफर्मरले यसको मूल्याङ्कन गरिएको भोल्टेजको 115% मा लगातार सञ्चालन गर्न सक्षम हुन्छ, जबसम्म माध्यमिक बोझ ट्रान्सफर्मरको थर्मल रेटिङभन्दा बढी हुँदैन। यो क्षमताले PTs को अखण्डतालाई असर नगरी अस्थायी ओभर भोल्टेज अवस्थाहरूको लागि अनुमति दिन्छ।


Q: 25 kV उपकरण विद्युत चुम्बकीय pt सम्भावित ट्रान्सफर्मरको लागि विशिष्ट इन्सुलेशन वर्ग के हो?

A: एक 25 kV सम्भावित ट्रान्सफर्मरमा सामान्यतया इन्सुलेशन क्लास हुन्छ जसले यसलाई 25 kV सम्म भोल्टेजहरू सामना गर्न अनुमति दिन्छ। इन्सुलेशन प्रणाली विश्वसनीय सञ्चालन र सुरक्षा सुनिश्चित गर्दै, सामान्य र गल्ती अवस्थाहरूमा सामना गर्ने विद्युतीय तनावहरू ह्यान्डल गर्न डिजाइन गरिएको हो।





हट ट्यागहरू: 25 Kv उपकरण विद्युत चुम्बकीय Pt सम्भावित ट्रान्सफर्मर निर्माता, विद्युत चुम्बकीय PT सम्भावित ट्रान्सफर्मर आपूर्तिकर्ता, उपकरण PT सम्भावित ट्रान्सफर्मर थोक
सोधपुछ पठाउनुहोस्
सम्पर्क जानकारी
  • ठेगाना

    नम्बर 391, Jingqi रोड, Yanpan औद्योगिक क्षेत्र, Yueqing शहर, Zhejiang प्रान्त, चीन

  • टेलिफोन

    +86-577-62731111

  • इ-मेल

    info@xifaele.com

तपाईंको उद्धरण ASAP प्राप्त गर्न

XiFa-तपाईंको भरपर्दो विद्युतीय उपकरण आपूर्तिकर्ता
X
हामी तपाईंलाई राम्रो ब्राउजिङ अनुभव प्रदान गर्न, साइट ट्राफिक विश्लेषण र सामग्री निजीकृत गर्न कुकीहरू प्रयोग गर्छौं। यो साइट प्रयोग गरेर, तपाईं कुकीहरूको हाम्रो प्रयोगमा सहमत हुनुहुन्छ। गोपनीयता नीति
अस्वीकार गर्नुहोस् स्वीकार गर्नुहोस्