हालको ट्रान्सफर्मर CT
घाउको प्रकार 5p10 5p20 Ct 100 150 400 5a
  • घाउको प्रकार 5p10 5p20 Ct 100 150 400 5aघाउको प्रकार 5p10 5p20 Ct 100 150 400 5a

घाउको प्रकार 5p10 5p20 Ct 100 150 400 5a

उच्च गुणस्तरको सम्भावित ट्रान्सफर्मर र हालको ट्रान्सफर्मरहरू आपूर्ति गर्न, Wenzhou XiFa इलेक्ट्रिक पावर इक्विपमेन्ट कं, लिमिटेडले उत्पादन र आपूर्ति घाउ प्रकार 5p10 5p20 ct 100 150 400 5a जस्ता ग्राहकहरूलाई अनुकूलित सेवा समर्थन गर्दछ। WenZhou XiFa बिजुलीमा, उत्पादक टोलीले छिटो डेलिभरी सुनिश्चित गर्न 100/5a 10p10 0.5 वर्तमान ट्रान्सफर्मर जस्ता नियमित प्रकारको वर्तमान ट्रान्सफर्मरको सूची राख्छ। यद्यपि, कम्पनीले विभिन्न बिजुलीको माग पूरा गर्न अनुकूलित सेवा समर्थन गर्दछ जस्तै आपूर्ति वर्तमान ट्रान्सफर्मर जसको सुरक्षा वर्ग 5p10 वा 5p20 हो।

घाउ प्रकारको वर्तमान ट्रान्सफर्मर 10kv 20kv र 35kv जस्ता मध्यम भोल्टेज पावर प्रणालीहरूमा भरपर्दो वर्तमान मापन र सुरक्षाको लागि डिजाइन गरिएको हो। 100/5A, 150/5A, र 400/5A को हालको अनुपातमा उपलब्ध छ, र 5P10 र 5P20 को सुरक्षा शुद्धता वर्गहरूको साथ, यो घाउ प्रकार 5p10 5p20 ct 100 150 400 5a ले सटीक माध्यमिक र आउटपुट आउटपुट, दुबै सुरक्षात्मक माध्यमिक सुरक्षा प्रदान गर्दछ।

ठोस चुम्बकीय कोर र सेकेन्डरी कोइलहरूसँग निर्मित, घाउ प्रकारको वर्तमान ट्रान्सफर्मरले सर्ट सर्किट अवस्थाहरूमा स्थिर कार्यसम्पादन सुनिश्चित गर्दछ र क्षणिक घटनाहरूमा पनि सही वर्तमान रूपान्तरण प्रदान गर्दछ। यसको बलियो इन्सुलेशन प्रणाली, अक्सर epoxy वा उच्च ग्रेड राल समावेश, सुरक्षा, लामो सेवा जीवन, र नमी र वातावरणीय तनाव को प्रतिरोध सुनिश्चित गर्दछ।

घाउको प्रकारको डिजाइनले रिले सुरक्षा योजनाहरूको लागि भरपर्दो समर्थन प्रदान गर्न स्विचगियर, नियन्त्रण प्यानल, र वितरण बोर्डहरूमा लचिलो स्थापना गर्न अनुमति दिन्छ। घाउको प्रकार हालको ट्रान्सफर्मर औद्योगिक प्लान्टहरू, व्यावसायिक सुविधाहरू, र उपयोगिता वितरण नेटवर्कहरूको लागि उपयुक्त छ जहाँ सही र भरपर्दो वर्तमान मापन दुवै परिचालन निगरानी र सुरक्षा नियन्त्रणको लागि आवश्यक छ।

Wound Type 5p10 5p20 Ct 100 150 400 5a

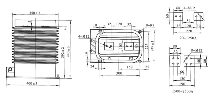
प्राविधिक विशिष्टता:

टाइप गर्नुहोस् प्राथमिक मूल्याङ्कन गरिएको वर्तमान (A) शुद्धता वर्ग शुद्धता वर्ग र रेटेड आउटपुट cosΦ=0.8 शोरी-समय थर्मल वर्तमान (kA/S) मूल्याङ्कन गरिएको गतिशील वर्तमान (kA)
०.२ (हरू) ०.५ (हरू) 10P10
LZZBJ9-35 २०-१०० 0.2/0.2 0.2/0.5 0.2/5P20 0.5/5P20 0.2/0.5/5P 0.2/5P/5P 10 10 15 150I1n 375I1n
150-200 31.5 80
३००-५०० ३१.५/२ 80
६००-१२५० 15 30 20 ३१.५/४ 80
1500-2000 20 40 30 ४०/४ 125
2500 20 40 20 ४०/४ 125


टाइप गर्नुहोस् प्राथमिक मूल्याङ्कन गरिएको वर्तमान (A) शुद्धता वर्ग क्षमता (VA) शोरी-समय थर्मल वर्तमान (kA/S) मूल्याङ्कन गरिएको गतिशील वर्तमान (kA)
LZZBJ9-35 10 0.2/10P10 0.5/10P10 0.2/5P20 0.5/5P20 0.2/0.5/10P10 0.2/0.5/5P20 0.2/10P10/5P20 0.5/10P10/5P20 15/20 20/20 15/20 20/20 15/20/20 15/20/20 20/20/20 १.५/१ 3.75
20 २/१ 5
30 ३/१ 7.5
40 ४/१ 10
50 ५/१ 12.5
75 ७.५/१ 18.75
100 १०/१ 25
150 १५/१ 37.5
200 २०/१ 50
300 ३१.५/१ 80
400 ३१.५/२ 80
500 ३१.५/२ 80
600 ३१.५/२ 80
800 ३१.५/३ 80
1000 ३१.५/३ 80
1200 ३१.५/३ 80
1500 ३१.५/३ 80
2000 ३१.५/३ 80

Wound Type 5p10 5p20 Ct 100 150 400 5a

उत्पादन FAQ:

प्रश्न: घाउको प्रकार 5p10 5p20 ct 100 150 400 5a मा "घाउको प्रकार 5P10" वा "5P20" को अर्थ के हो?

A: "घाउको प्रकार" शब्दले CT लाई बुझाउँछ जहाँ प्राथमिक कन्डक्टर बसबार वा कोर मार्फत बारको सट्टा घाउ घुमाउने हो। वर्ग 5P10 वा 5P20 ले सुरक्षा शुद्धतालाई सङ्केत गर्छ: 5P को अर्थ मूल्याङ्कन गरिएको माध्यमिक वर्तमानमा 5% सम्म त्रुटि हो, र संख्या 10 वा 20 निर्दिष्ट त्रुटि नाघी मूल्याङ्कन गरिएको प्राथमिक वर्तमानको अधिकतम अनुमतियोग्य छोटो-समय गुणन हो।

प्रश्न: म कसरी मेरो प्रणालीको लागि सही CT मूल्याङ्कन छनौट गर्न सक्छु?

A: तपाईंको प्रणालीको अधिकतम लोड वर्तमान र सुरक्षा आवश्यकताहरूमा आधारित CT चयन गर्नुहोस्। उदाहरणका लागि, 100/5A CT 100 A को वरिपरि विशिष्ट धाराहरू भएका सर्किटहरूको लागि उपयुक्त छ, जबकि 400/5A उच्च-वर्तमान फिडरहरूको लागि डिजाइन गरिएको छ। रिलेको गल्ती पत्ता लगाउने संवेदनशीलता र अपेक्षित सर्ट सर्किट करन्ट अनुसार सुरक्षा वर्ग (5P10 वा 5P20) छनोट गर्नुहोस्।

Q: कस्तो वातावरणीय अवस्थाले 5p10 5p20 ct 100 150 400 5a ह्यान्डल टाइप गर्न सक्छ?

A: यी घाउ प्रकारका वर्तमान ट्रान्सफर्मरहरूलाई सामान्यतया परिवेशको तापमान -10 °C देखि +40 °C सम्म, अधिकतम 1000 मिटरको उचाइमा मूल्याङ्कन गरिन्छ। आवास सामग्री र इन्सुलेशन प्रणालीहरू औद्योगिक र उपयोगिता सेटिङहरूमा विश्वसनीय सुरक्षा प्रदर्शन सुनिश्चित गर्न, नमी, धुलो, र प्रदूषण प्रतिरोधी सञ्चालनको लागि डिजाइन गरिएको हो।




हट ट्यागहरू: घाउको प्रकार 5p10 5p20 Ct 100 150 400 5a, हालको ट्रान्सफर्मर आपूर्तिकर्ता, मिटरिङ ट्रान्सफर्मर थोक
सोधपुछ पठाउनुहोस्
सम्पर्क जानकारी
  • ठेगाना

    नम्बर 391, Jingqi रोड, Yanpan औद्योगिक क्षेत्र, Yueqing शहर, Zhejiang प्रान्त, चीन

  • टेलिफोन

    +86-577-62731111

  • इ-मेल

    info@xifaele.com

तपाईंको उद्धरण ASAP प्राप्त गर्न

XiFa-तपाईंको भरपर्दो विद्युतीय उपकरण आपूर्तिकर्ता
X
हामी तपाईंलाई राम्रो ब्राउजिङ अनुभव प्रदान गर्न, साइट ट्राफिक विश्लेषण र सामग्री निजीकृत गर्न कुकीहरू प्रयोग गर्छौं। यो साइट प्रयोग गरेर, तपाईं कुकीहरूको हाम्रो प्रयोगमा सहमत हुनुहुन्छ। गोपनीयता नीति
अस्वीकार गर्नुहोस् स्वीकार गर्नुहोस्