हालको ट्रान्सफर्मर CT
शून्य अनुक्रम Ct वर्तमान ट्रान्सफर्मर डोनट प्रकार
  • शून्य अनुक्रम Ct वर्तमान ट्रान्सफर्मर डोनट प्रकारशून्य अनुक्रम Ct वर्तमान ट्रान्सफर्मर डोनट प्रकार
  • शून्य अनुक्रम Ct वर्तमान ट्रान्सफर्मर डोनट प्रकारशून्य अनुक्रम Ct वर्तमान ट्रान्सफर्मर डोनट प्रकार

शून्य अनुक्रम Ct वर्तमान ट्रान्सफर्मर डोनट प्रकार

ठोस गुणस्तर शून्य अनुक्रम सीटी वर्तमान ट्रान्सफर्मर डोनट प्रकार उत्पादन गर्न, Wenzhou XiFa इलेक्ट्रिक पावर उपकरण कं, लिमिटेड राम्रो गुणस्तर र प्रतिस्पर्धी मूल्य संग कच्चा माल अपनाउछ। घुमाउने प्रक्रियामा, Wenzhou XiFa ले प्रत्येक शून्य अनुक्रम ct वर्तमान ट्रान्सफर्मर डोनट प्रकारको लागि विद्युतीय चालकता र मेकानिकल बल सुनिश्चित गर्न अक्सिजन मुक्त तामाको इनामल्ड तार अपनाउँछ। यसैबीच, कोर उत्पादनको प्रक्रियामा, Wenzhou XiFa ले उच्च चुम्बकीय पारगम्यता सिलिकन स्टिल शीट प्रयोग गर्दछ सानो शून्य अनुक्रम वर्तमानको संवेदनशील प्रतिक्रियामा उत्कृष्ट प्रदर्शन राख्न।

शून्य अनुक्रम सीटी वर्तमान ट्रान्सफर्मर शून्य अनुक्रम धाराहरू निगरानी गर्न पावर प्रणालीहरूमा प्रयोग गरिएको कोर उपकरण मार्फत एकल मोड हो। यसले सुरक्षात्मक रिलेइङ प्रणालीहरूको एक महत्वपूर्ण भागको रूपमा कार्य गर्दछ, जुन मुख्य रूपमा जमिन गल्तीहरू, चुहावट प्रवाहहरू, र इन्सुलेशन अनुगमनको लागि प्रयोग गरिन्छ। तीन चरण प्रवाहहरूको भेक्टर योग र परिणामस्वरूप शून्य अनुक्रम वर्तमान सेन्सिङ गरेर, शून्य अनुक्रम ct वर्तमान ट्रान्सफर्मरले सुरक्षा अपरेशनहरू ट्रिगर गर्न सक्छ र कम वर्तमान ग्राउन्डिङ चयनकर्ताहरू, डिजिटल हार्मोनिक दमन उपकरणहरू, र रिले सुरक्षा एकाइहरू त्रुटि अलर्टहरू प्रदान गर्न र पावर विच्छेदन गर्न सक्छ।

संरचनात्मक रूपमा, शून्य अनुक्रम सीटी वर्तमान ट्रान्सफर्मरमा टोरोइडल कोर र सेकेन्डरी वाइन्डिंग इपोक्सी रेजिन वा सिलिकन रबर हाउसिंग भित्र समेटिएको हुन्छ, जसले सुरक्षामा नमी प्रतिरोध र प्रदूषण फ्ल्यास प्रदान गर्दछ। स्थापना विकल्पहरूमा ठोस समावेश छ, जसलाई पूर्व-पास गरिएका केबलहरू र स्प्लिट कोर डिजाइनहरू चाहिन्छ, जसले केबलहरू विच्छेद नगरी पुन: फिट गर्न अनुमति दिन्छ।

यो 50 Hz पावर प्रणालीहरूसँग उपयुक्त छ, जसले ग्राउन्डेड र अनग्राउन्ड सिस्टमहरू सहित विभिन्न तटस्थ बिन्दु कन्फिगरेसनहरूको लागि आवश्यक संवेदनशीलता र रेखीयता प्रदान गर्दछ। शून्य अनुक्रम सीटी वर्तमान ट्रान्सफर्मरहरू विश्वसनीय गल्ती पत्ता लगाउन र प्रणाली सुरक्षा प्रदान गर्न स्मार्ट ग्रिड, रेल ट्रान्जिट, बिल्डिंग बिजुली प्रणाली, र औद्योगिक उपकरण अनुगमनमा व्यापक रूपमा लागू गरिन्छ।

Zero Sequence Ct Current Transformer Donut TypeZero Sequence Ct Current Transformer Donut Type

टाइप गर्नुहोस् रिले को प्रकार जडान विधि स्केल मान प्राथमिक वर्तमान टाइप गर्नुहोस् रिले को प्रकार जडान विधि स्केल मान प्राथमिक वर्तमान
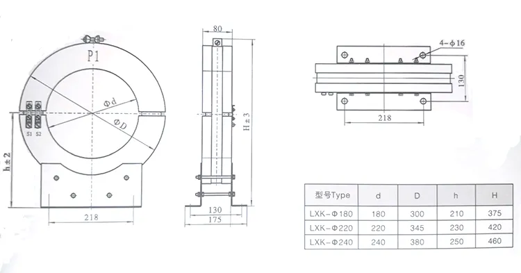
LXK-Φ80 LXK-Φ100 LXK-Φ120 LXK-Φ150 DD11/60 शृङ्खला १५*१ २.४-४.५ LXK-Φ180 LXK-Φ220 LXK-Φ240 DD11/60 शृङ्खला १५*१ २.४-४.५
३०*१ ३०*१
समानान्तर १५*२ ३-५ समानान्तर १५*२ ३-५
३०*२ ३०*२
DD1/60 शृङ्खला १५*१ ३-५ DD1/60 शृङ्खला १५*१ ३-५
३०*१ ३०*१
समानान्तर १५*२ ३-६ समानान्तर १५*२ ३-६
३०*२ ३०*२

Zero Sequence Ct Current Transformer Donut Type

उत्पादन FAQ:

प्रश्न: डोनट प्रकारको शून्य अनुक्रम सीटी वर्तमान ट्रान्सफर्मर के हो?

एक डोनट प्रकार शून्य अनुक्रम सीटी वर्तमान ट्रान्सफर्मर तीन चरण प्रणालीहरूमा शून्य अनुक्रम धाराहरू पत्ता लगाउन डिजाइन गरिएको कोर उपकरण हो। यसको टोरोइडल कोरले प्राथमिक कन्डक्टरलाई केन्द्रबाट पार गर्न अनुमति दिन्छ, जमिनको गल्ती, चुहावट प्रवाहहरू, र इन्सुलेशन अवस्थाहरूको गैर-हस्तक्षेपी निगरानी प्रदान गर्दछ।

Q: डोनट टाइप शून्य अनुक्रम ct वर्तमान ट्रान्सफर्मर आउटपुट संकेत कसरी गर्छ?

A: डोनट प्रकारको शून्य अनुक्रम सीटी वर्तमान ट्रान्सफर्मरले उच्च परिशुद्धता घुमाउरो र रोगोस्की कुण्डल प्रविधि प्रयोग गरी शून्य अनुक्रम प्रवाहलाई समानुपातिक भोल्टेज वा माध्यमिक प्रवाहमा रूपान्तरण गर्दछ। यो आउटपुट छिटो र सही त्रुटि पत्ता लगाउन रिले, मिटर, र निगरानी प्रणाली संग उपयुक्त छ।

प्रश्न: डोनट प्रकारको शून्य अनुक्रम सीटी वर्तमान ट्रान्सफर्मरको विशिष्ट अनुप्रयोगहरू के हुन्?

A: डोनट प्रकारको शून्य अनुक्रम सीटी वर्तमान ट्रान्सफर्मर सामान्यतया प्रयोग गरिन्छ:

1. ग्राउन्ड गल्ती संरक्षण र चुहावट वर्तमान पत्ता लगाउने;

2. विद्युत वितरण प्रणालीमा तटस्थ बिन्दु अनुगमन;

3. डिजिटल सुरक्षा रिले, हार्मोनिक दमन उपकरणहरू, र स्मार्ट ग्रिड निगरानी प्रणालीहरूसँग एकीकरण।

४.औद्योगिक उपकरण, विद्युतीय सञ्जाल निर्माण, र रेल ट्रान्जिट प्रणाली।




हट ट्यागहरू: शून्य अनुक्रम सीटी वर्तमान ट्रान्सफर्मर, डोनट प्रकार सीटी, ग्राउन्ड फल्ट संरक्षण ट्रान्सफर्मर
सोधपुछ पठाउनुहोस्
सम्पर्क जानकारी
  • ठेगाना

    नम्बर 391, Jingqi रोड, Yanpan औद्योगिक क्षेत्र, Yueqing शहर, Zhejiang प्रान्त, चीन

  • टेलिफोन

    +86-577-62731111

  • इ-मेल

    info@xifaele.com

तपाईंको उद्धरण ASAP प्राप्त गर्न

XiFa-तपाईंको भरपर्दो विद्युतीय उपकरण आपूर्तिकर्ता
समाचार सिफारिसहरू
X
हामी तपाईंलाई राम्रो ब्राउजिङ अनुभव प्रदान गर्न, साइट ट्राफिक विश्लेषण र सामग्री निजीकृत गर्न कुकीहरू प्रयोग गर्छौं। यो साइट प्रयोग गरेर, तपाईं कुकीहरूको हाम्रो प्रयोगमा सहमत हुनुहुन्छ। गोपनीयता नीति
अस्वीकार गर्नुहोस् स्वीकार गर्नुहोस्