हालको ट्रान्सफर्मर CT
राल कास्ट इलेक्ट्रिकल Ct वर्तमान ट्रान्सफर्मर
  • राल कास्ट इलेक्ट्रिकल Ct वर्तमान ट्रान्सफर्मरराल कास्ट इलेक्ट्रिकल Ct वर्तमान ट्रान्सफर्मर
  • राल कास्ट इलेक्ट्रिकल Ct वर्तमान ट्रान्सफर्मरराल कास्ट इलेक्ट्रिकल Ct वर्तमान ट्रान्सफर्मर

राल कास्ट इलेक्ट्रिकल Ct वर्तमान ट्रान्सफर्मर

Wenzhou XiFa इलेक्ट्रिक पावर उपकरण कं, लिमिटेड राल कास्ट इलेक्ट्रिकल सीटी वर्तमान ट्रान्सफर्मर उत्पादन गर्न एक व्यावसायिक निर्माण हो जहाँ 10 kv देखि 35 kv बिजुली स्विचगियर मा अपनाउछ। Wenzhou XiFa मा, वर्तमान ट्रान्सफर्मरको छेउमा रहेको बुलबुले हटाउन र सतहमा आंशिक डिस्चार्ज रोक्नको लागि भ्याकुम वातावरणमा इपोक्सी राल कास्ट गर्दै उत्पादक टोली। यसैबीच, राल कास्ट इलेक्ट्रिकल सीटी वर्तमान ट्रान्सफर्मर भोल्टेज प्रतिरोध र दीर्घकालीन स्थिरतामा राम्रो प्रदर्शन प्राप्त गर्न बहु तह इन्सुलेशन संरचनाको रूपमा डिजाइन गरिएको छ।

रेसिन कास्ट इलेक्ट्रिकल सीटी वर्तमान ट्रान्सफर्मर एक इनडोर, इपोक्सी राल, भ्याकुम कास्ट, 50 हर्ट्जको मूल्याङ्कन आवृत्तिको साथ 10 केभी भोल्टेज स्तर पावर प्रणालीहरूको लागि डिजाइन गरिएको पोष्ट प्रकार इकाई हो। यो मुख्यतया हालको मापन, ऊर्जा मिटरिङ, र सुरक्षात्मक रिलेको लागि प्रयोग गरिन्छ।

राल कास्ट इलेक्ट्रिकल सीटी वर्तमान ट्रान्सफर्मरले पूर्ण रूपमा संलग्न इपोक्सी राल कास्टिंग प्रक्रिया अपनाउछ, जसमा कोर उच्च ग्रेड चुम्बकीय सामग्रीबाट बनेको हुन्छ, र कोरको साथमा दुबै प्राथमिक र माध्यमिक कुण्डलहरू रालमा इम्बेडेड हुन्छन्। यस निर्माणले इन्सुलेशन, आर्द्रता प्रतिरोध, र प्रदूषण प्रतिरोधमा उत्कृष्ट प्रदर्शन प्रदान गर्दछ। राल कास्ट इलेक्ट्रिकल सीटी वर्तमान ट्रान्सफर्मरको सतहलाई कुनै अतिरिक्त कोटिंग आवश्यक पर्दैन, र हालको ट्रान्सफर्मर धेरै स्थानहरूमा स्थापना गर्न सकिन्छ।

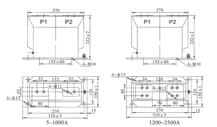
दायराले 0.2S र 0.5S, र 10P10 र 10P20 जस्ता सुरक्षा वर्गहरू दुवै मापन गर्ने वर्गहरू समेट्छ। एक बहु अनुपात डिजाइन एक राल कास्ट इलेक्ट्रिकल सीटी वर्तमान ट्रान्सफर्मरमा उपलब्ध छ, यसलाई धातुले ढाकिएको विद्युतीय प्यानलहरूमा प्रयोगको लागि राम्रोसँग उपयुक्त बनाउन।

Resin Cast Electrical Ct Current TransformerResin Cast Electrical Ct Current Transformer

प्राविधिक विशिष्टता:

टाइप गर्नुहोस् प्राथमिक मूल्याङ्कन गरिएको वर्तमान (A) शुद्धता वर्ग शुद्धता वर्ग र रेटेड आउटपुट cosΦ=0.8 शोरी-समय थर्मल वर्तमान (kA/S) मूल्याङ्कन गरिएको गतिशील वर्तमान (kA)
०.२ (हरू) ०.५ (हरू) 10P10 10P15 10P20
LZZBJ9-10 ५-१५० 0.2s/0.5 0.2s/10P 0.2/10P 0.5s/10P 0.5/10P 10 10 15 15 10 100I1n 250I1n
200-300 31.5 80
४००-५०० 45 112
600-1000 63 130
१२००-१५०० 80 160
2000-2500 100 180

Resin Cast Electrical Ct Current Transformer

उत्पादन FAQ:

प्रश्न: राल कास्ट इलेक्ट्रिकल सीटी वर्तमान ट्रान्सफर्मर चयन गर्दा कुन प्राविधिक मापदण्डहरू जाँच गर्नुपर्छ?

A: निम्न कुञ्जी प्यारामिटरहरू चयन गर्दा जाँच गरिनेछ:

1. शुद्धता वर्ग: मिटरिङ/मापन (जस्तै 0.2s वा 0.5) र सुरक्षा उद्देश्यहरू (जस्तै 10P10, 5P10, आदि) को लागि।

2. मूल्याङ्कन गरिएको प्राथमिक वर्तमान र माध्यमिक वर्तमान (रूपान्तरण अनुपात)।

3. छोटो समय थर्मल करन्ट (Ith) र छोटो समय वर्तमान प्रतिरोध क्षमता (गल्ती अवस्थाहरूको लागि)।

4. इन्सुलेशन स्तरहरू (भोल्टेज प्रतिरोध, आवेग भोल्टेज मूल्याङ्कन, आदि)।

5. वातावरणीय सहिष्णुता: तापमान दायरा, उचाइ, आर्द्रता, प्रदूषण स्तर।

6. बोझ: VA लोड सेकेन्डरीले सटीकता घटाउन बिना ड्राइभ गर्नुपर्छ।

Q: कुन वातावरण वा अनुप्रयोगहरूमा राल कास्ट इलेक्ट्रिकल सीटी वर्तमान ट्रान्सफर्मरहरू विशेष गरी उपयुक्त छन्?

A: निम्न वातावरण वा अनुप्रयोग राल कास्ट इलेक्ट्रिकल सीटी वर्तमान ट्रान्सफर्मरको लागि उपयुक्त छन्:

1. भित्री स्विचगियर, जहाँ ठाउँ सीमित छ र इन्सुलेशन महत्त्वपूर्ण छ।

2. कठोर वा प्रदूषित वातावरणमा (धूलो, चिस्यान, रसायनहरू) जहाँ खुला भाग वा तेल घट्न सक्छ।

3. लामो अवधिमा स्थिर, सही मापन आवश्यक पर्ने मिटरिङ र सुरक्षा सर्किटहरूमा।

4. अनुप्रयोगहरू जहाँ कम मर्मत र उच्च विश्वसनीयता महत्त्वपूर्ण छन्।

हट ट्यागहरू: राल कास्ट हालको ट्रान्सफर्मर आपूर्तिकर्ता, इलेक्ट्रिकल सीटी ट्रान्सफर्मर निर्माता, कस्टम सीटी ट्रान्सफर्मर थोक
सोधपुछ पठाउनुहोस्
सम्पर्क जानकारी
  • ठेगाना

    नम्बर 391, Jingqi रोड, Yanpan औद्योगिक क्षेत्र, Yueqing शहर, Zhejiang प्रान्त, चीन

  • टेलिफोन

    +86-577-62731111

  • इ-मेल

    info@xifaele.com

तपाईंको उद्धरण ASAP प्राप्त गर्न

XiFa-तपाईंको भरपर्दो विद्युतीय उपकरण आपूर्तिकर्ता
X
हामी तपाईंलाई राम्रो ब्राउजिङ अनुभव प्रदान गर्न, साइट ट्राफिक विश्लेषण र सामग्री निजीकृत गर्न कुकीहरू प्रयोग गर्छौं। यो साइट प्रयोग गरेर, तपाईं कुकीहरूको हाम्रो प्रयोगमा सहमत हुनुहुन्छ। गोपनीयता नीति
अस्वीकार गर्नुहोस् स्वीकार गर्नुहोस्